公司概要
營業項目
在庫商品
聯絡我們
勝發油壓機械重機配件
PF凸活動塞頭
高壓油管&拉線
-
O型環/油封/軸承
-
油壓幫浦
-
齒輪幫浦
-
旋轉馬達
-
行走齒包
-
操作開關
-
附件與應用產品
-
其他外匯配件
-
其他新品配件
公司概要
在庫商品
營業項目
聯絡我們
高壓油管&拉線
油壓幫浦
旋轉馬達
操作開關
其他外匯配件
O型環/油封/軸承
齒輪幫浦
行走齒包
附件與應用產品
其他新品配件
2019.11.05
TAIWAN TC
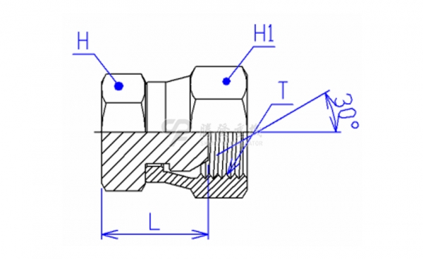
PF凸活動塞頭
PF凸 活動塞頭
,高壓接頭,配管接頭,重機接頭,挖土機油管接頭
,怪手接頭
,怪手零件
SWIVEL NUT CAP
JIS30° FLARE FEMALE SWIVEL CAP END
返回上頁
© SHENQ FA EXCAVATOR PARTS CO.,LTD
LINE私訊
LINE客服中心
掃秒 / 點擊 行動條碼加入LINE好友
wechat微信
微信客服中心
WeChatID:_886911704919